网站首页
信息公开
招生类型
三年制招生
五年制招生
招生计划
院系专业
往年招生
报考指南
政策法规
学校主页
信息公开
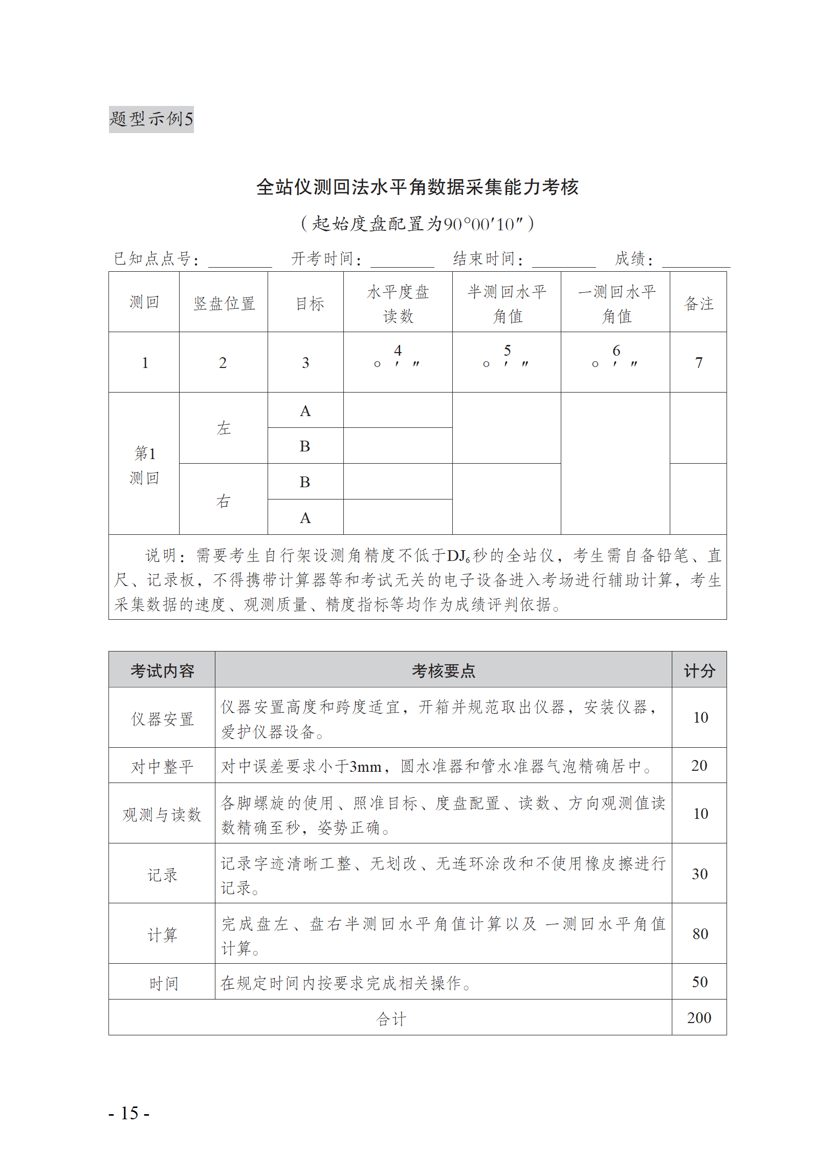
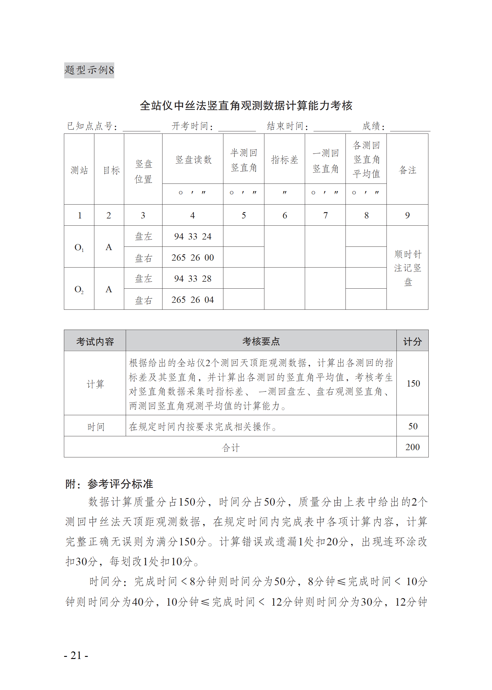
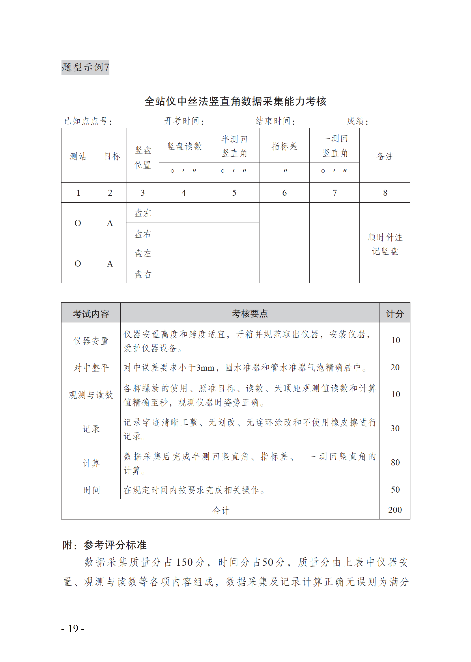
云南省中职职教高考职业技能 考试说明(试行) 07 资源环境类
2026-01-25 14:27:13
附件【
云南省中职职教高考职业技能考试说明(试行)07 资源环境类.pdf
】已下载
次